ТЗЛУ-125
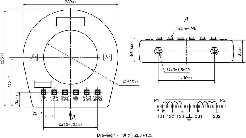
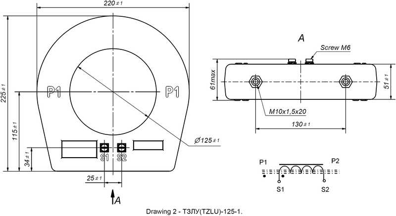
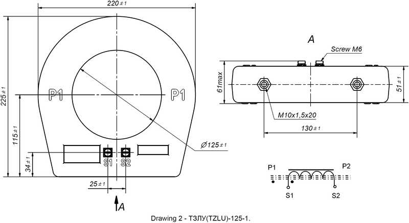
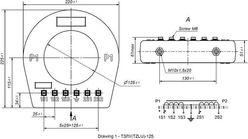
Трансформатор струму нульової послідовності (ТСНП) типу ТЗЛУ-125, ТЗЛУ-125-1 призначений для живлення схем релейного захисту від замикання на землю окремих жил трифазного кабелю шляхом трансформації струмів нульової послідовності, що виникли при цьому і встановлюються на кабель.
Трансформатори призначені для експлуатації в приміщеннях, в яких коливання температури і вологості повітря не суттєво відрізняється від коливань на відкритому повітрі, а також в середині комплектних виробів призначених для експлуатації на відкритому повітрі за умови відсутності прямого впливу сонячного випромінювання та атмосферних опадів, в наступних умовах:
- висота над рівнем моря − не більше 1000 м;
- відносна вологість повітря не більше 98 % при 30 °С;
- верхнє робоче значення температури, навколишнього повітря − плюс 50 °С;
- нижнє робоче значення температури навколишнього повітря − мінус 45 °С;
- навколишнє середовище - вибухобезпечне, яке не містить пилу, хімічно активних газів і пари в
концентраціях, що руйнують покриття металів та ізоляцію;
- положення трансформаторів в просторі - будь-яке.
Трансформатори ТЗЛУ-125 мають коефіцієнт трансформації основної обмотки - 30/1, 60/1 и 6/1 додаткової обмотки контролю захисту, яка призначена для перевірки роботи релейного захисту , згідно таблиці 1.
Основні характеристики наведені в таблиці 1.
Приклад запису умовного позначення трансформатора ТЗЛУ-125, ТЗЛУ-125-1 з коефіцієнтом трансформації 30/1 і трансформатора з коефіцієнтом трансформації 60/1 при номінальному первинному струмі 1А:
Трансформатор струму ТЗЛУ-125-30-60/1 АЛАГ. 671231.006 ТУ;
Трансформатор струму ТЗЛУ-125-1-30/1 АЛАГ. 671231.006 ТУ;
Трансформатор струму ТЗЛУ-125-1-60/1 АЛАГ. 671231.006 ТУ.
За вимогою замовника трансформатори можуть бути поставлені з іншим коефіцієнтом трансформації.
Обмотка трансформаторів виконана на осерді з нанокристалічного сплаву. Це забезпечує отримання великого лінійного динамічного діапазону характеристик обмотки по струму та куту. При цьому забезпечується довгочасна стабільність характеристик упродовж всього строку служби трансформатора та стійкість осердя до намагнічування (від однополярних імпульсних струмів КЗ трифазного кабелю). Окрім цього забезпечується коефіцієнт безпеки приладів не більше 3, що значно зменшує аварійні перенавантаження вимірювальних приладів, які підключені до вторинної обмотки.
Застосування даних трансформаторів забезпечує зменшення експлуатаційних витрат у споживачів.
Трансформатор струму нульової послідовності (ТСНП) типу ТЗЛУ-125, ТЗЛУ-125-1 призначений для живлення схем релейного захисту від замикання на землю окремих жил трифазного кабелю шляхом трансформації струмів нульової послідовності, що виникли при цьому і встановлюються на кабель.
Трансформатори призначені для експлуатації в приміщеннях, в яких коливання температури і вологості повітря не суттєво відрізняється від коливань на відкритому повітрі, а також в середині комплектних виробів призначених для експлуатації на відкритому повітрі за умови відсутності прямого впливу сонячного випромінювання та атмосферних опадів, в наступних умовах:
- висота над рівнем моря − не більше 1000 м;
- відносна вологість повітря не більше 98 % при 30 °С;
- верхнє робоче значення температури, навколишнього повітря − плюс 50 °С;
- нижнє робоче значення температури навколишнього повітря − мінус 45 °С;
- навколишнє середовище - вибухобезпечне, яке не містить пилу, хімічно активних газів і пари в
концентраціях, що руйнують покриття металів та ізоляцію;
- положення трансформаторів в просторі - будь-яке.
Трансформатори ТЗЛУ-125 мають коефіцієнт трансформації основної обмотки - 30/1, 60/1 и 6/1 додаткової обмотки контролю захисту, яка призначена для перевірки роботи релейного захисту , згідно таблиці 1.
Основні характеристики наведені в таблиці 1.
Приклад запису умовного позначення трансформатора ТЗЛУ-125, ТЗЛУ-125-1 з коефіцієнтом трансформації 30/1 і трансформатора з коефіцієнтом трансформації 60/1 при номінальному первинному струмі 1А:
Трансформатор струму ТЗЛУ-125-30-60/1 АЛАГ. 671231.006 ТУ;
Трансформатор струму ТЗЛУ-125-1-30/1 АЛАГ. 671231.006 ТУ;
Трансформатор струму ТЗЛУ-125-1-60/1 АЛАГ. 671231.006 ТУ.
За вимогою замовника трансформатори можуть бути поставлені з іншим коефіцієнтом трансформації.
Обмотка трансформаторів виконана на осерді з нанокристалічного сплаву. Це забезпечує отримання великого лінійного динамічного діапазону характеристик обмотки по струму та куту. При цьому забезпечується довгочасна стабільність характеристик упродовж всього строку служби трансформатора та стійкість осердя до намагнічування (від однополярних імпульсних струмів КЗ трифазного кабелю). Окрім цього забезпечується коефіцієнт безпеки приладів не більше 3, що значно зменшує аварійні перенавантаження вимірювальних приладів, які підключені до вторинної обмотки.
Застосування даних трансформаторів забезпечує зменшення експлуатаційних витрат у споживачів.
- Найменування параметру Значення параметру
- Найвища напруга обладнання, Um, [kV] 0,8
- Номінальний первинний струм, Ipn, [А] 30, 60
- Номінальний вторинний струм, Isn, [A] 1
- Номінальна частота, Fn, [Hz] 50*, 60
- Випробувальна напруга промислової частоти, [kV] 3
- Коефіцієнт трансформації, Ipn/Isn 30/1, 60/1
- Виконання з перемиканням +







