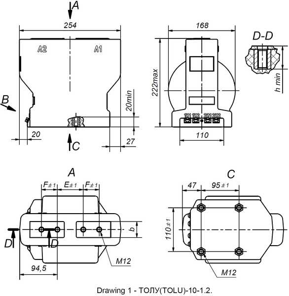
TCS2-12-00... (ТОЛУ-10-1)
Найвища напруга обладнання, Um, [kV]: 12;
Номінальний первинний струм, Ipn, [А]: 5 - 1000;
Клас точності вторинної обмотки для вимірювань: 0,2S; 0,2; 0,5S+; 0,5S; 0,5;
Клас точності вторинної обмотки для захисту: 5P; 10P;
Кількість вторинних обмоток: 1, 2;
Трансформатори проходять процедуру оцінки відповідності за модулями B+F, згідно Технічного регламенту законодавчо регульованих засобів вимірювальної техніки.
Трансформатори відповідають ДСТУ EN 61869-1:2017, ДСТУ EN 61869-2:2017, ГОСТ 7746-2015.
Трансформатори струму ТОЛУ-10-1 (TCS2-12-00) призначені для передачі сигналу вимірювальної інформації вимірювальним приладам, пристроям захисту і управління, для ізолювання ланцюгів вторинних з`єднань від високої напруги в комплектних електричних пристроях внутрішньої установки (КРУ, КРУН, КСО) змінного струму з найвищою напругою обладнання 12 кВ частотою 50 Гц.
Трансформатори призначені для експлуатації в приміщеннях, в яких коливання температури і вологості повітря не суттєво відрізняється від коливань на відкритому повітрі, а також в середині комплектних виробів призначених для експлуатації на відкритому повітрі за умови відсутності прямого впливу сонячного випромінювання та атмосферних опадів, в наступних умовах:
- висота над рівнем моря − не більше 1000 м;
- відносна вологість повітря не більше 98 % при 30 °С;
- верхнє робоче значення температури, навколишнього повітря − плюс 50 °С;
- нижнє робоче значення температури навколишнього повітря − мінус 45 °С;
- навколишнє середовище - вибухобезпечне, яке не містить пилу, хімічно активних газів і пари в
концентраціях, що руйнують покриття металів та ізоляцію;
- положення трансформаторів в просторі - будь-яке.
Клас нагрівостійкості ізоляції – В по ДСТУ EN 61869-1:2017.
Клас займистості трансформаторів відповідає групі НВ40 за ДСТУ EN 60695-11-10.
Вторинна обмотка для вимірювання виконана на осерді з нанокристалічного сплаву. Це забезпечує відповідність обмотки класу точності в більш широкому діапазоні сили первинного струму в порівнянні з вимогами діючого стандарту. При цьому, забезпечується довготривала стабільність характеристик протягом всього терміну служби трансформатора і стійкість магнітопроводу до намагнічування (від однополярних імпульсних струмів КЗ). Крім цього, забезпечується коефіцієнт безпеки приладів в межах від трьох до п’яти, що значно зменшує аварійні перевантаження вимірювальних приладів, підключених до вимірювальної вторинної обмотки.
Застосування даних трансформаторів забезпечує зменшення експлуатаційних витрат у споживачів.
Трансформатори відповідають ДСТУ EN 61869-1:2017, ДСТУ EN 61869-2:2017, ГОСТ 7746-2015.
- Найменування параметру Значення параметру
- Найвища напруга обладнання, Um, [kV] 12
- Номінальний первинний струм, Ipn, [А] 5; 7,5; 10; 12,5; 15; 20; 25; 30; 40; 50; 60; 75; 80; 100; 125; 150; 200; 250; 300; 400; 500; 600; 750; 800; 1000
- Номінальний вторинний струм, Isn, [A] 1, 5*
- Номінальна частота, Fn, [Hz] 50*, 60
- Клас точності вторинної обмотки для вимірювань 0,2; 0,2S; 0,5; 0,5S*; 0,5S+
- Клас точності вторинної обмотки для захисту 5P; 10P*
- Номінальна вторинна навантага при соs φ = 0,8 - обмотка для вимірювань, [VA] 5; 10*; 15; 20; 30
- Номінальна вторинна навантага при соs φ = 0,8 - обмотка для захисту, [VA] 15*; 20
- Коефіцієнт безпеки приладу, FS 3 - 5
- Коефіцієнт граничної точності, ALF 5 - 13
- Кількість вторинних обмоток 1, 2
- Випробувальна напруга промислової частоти, [kV] 28
- Виконання з перемиканням -