Україна, 49038, м. Дніпро, вул. Князя Ярослава Мудрого, 68

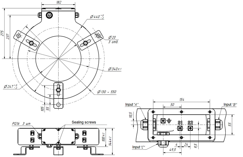
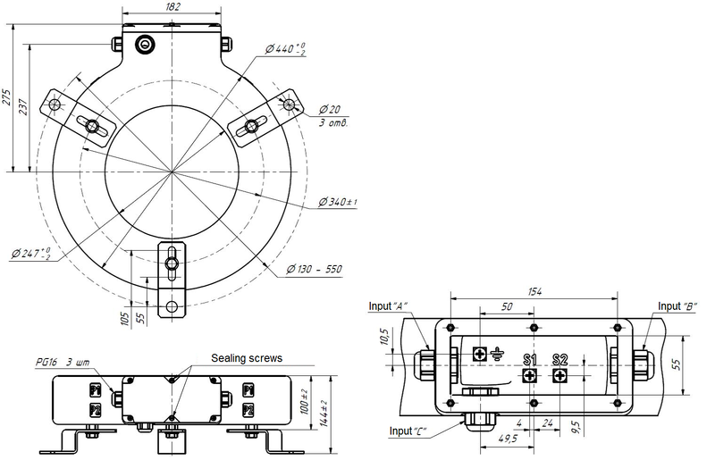
TСBO-1,2

Найвища напруга обладнання, Um, [kV]: 1,2;
Номінальний первинний струм, Ipn, [А]: 100 - 3000;
Клас точності вторинних обмоток: 0,2S; 0,2; 0,5S; 0,5; 1; 3; 5P; 10P;
Кількість вторинних обмоток: 1, 2;
Трансформатори відповідають ДСТУ EN 61869-1:2017, ДСТУ EN 61869-2:2017, ГОСТ 7746-2015.

Вимірювальні трансформатори струму TСBO… (далі трансформатори) призначені для встановлення на виводи високовольтних силових трансформаторів, вимикачів, прохідних ізоляторів і т.д., з номінальною напругою мережі від 1 кВ до 35 кВ, при умові що конструкція і габарити виводів обладнання, забезпечують фізичну можливість встановлення трансформатора струму на них, і забезпечують передачу сигналу вимірювальної інформації вимірювальним приладам, обладнанню захисту і управління. Ізоляція вторинних ланцюгів трансформаторів струму від високої напруги обладнання забезпечується основною ізоляцією обладнання. Ізоляція самих трансформаторів струму розрахована на максимальну напругу обладнання (Um) 1,2 кВ.

Технічні характеристики трансформаторів відповідають  вимогам ДСТУ EN 61869-2:2017  і
ГОСТ 7746-2015.

Трансформатори призначені для експлуатації, в районах з помірно холодним кліматом, на відкритому повітрі,  в наступних умовах:

- висота над рівнем моря - не більше 1000 м;

- відносна вологість повітря - 100 % при 30 °С;

- верхнє робоче значення температури, навколишнього повітря - плюс 50 °С;

- нижнє робоче значення температури, навколишнього повітря - мінус 45 °С;

- швидкість вітру до 40 м/с;

- утворення ожеледі до 25 мм;

- положення трансформаторів в просторі -  будь яке.

Клас нагрівостійкості  ізоляції – В.

Клас займистості відповідає групі НВ 40 по ДСТУ EN 60695-11-10.

  • Найменування параметру Значення параметру
  • Найвища напруга обладнання, Um, [kV] 1,2
  • Номінальний первинний струм, Ipn, [А] 100; 125; 150; 200; 250; 300; 400; 500; 600; 750; 800; 1000; (1200; 1250; 1500; 1600; 2000; 2500; 3000)****
  • Номінальний вторинний струм, Isn, [A] 1, 5*
  • Номінальна частота, Fn, [Hz] 50*, 60
  • Клас точності вторинної обмотки для вимірювань 0,2S; 0,2; 0,5S; 0,5; 1; 3
  • Клас точності вторинної обмотки для захисту 5P; 10P
  • Номінальна вторинна навантага при соs φ = 0,8 - обмотка для вимірювань, [VA] 5; 10*; 15; 20; 30; (40 - 100)**
  • Номінальна вторинна навантага при соs φ = 0,8 - обмотка для захисту, [VA] 5; 10; 15*; 20; 30; (40 - 50)**
  • Коефіцієнт безпеки приладу, FS 2 - 40
  • Коефіцієнт граничної точності, ALF 10 - 30
  • Кількість вторинних обмоток 1*; 2
  • Номінальна сила струму термічної стійкості, 1 с, Ith, [А] *** 50 × Ipn
  • Випробувальна напруга ізоляції вторинних обмоток протягом 60 с, [kV] 3
  • * Значення, яким слід надавати перевагу (переважні значення)
  • ** За попереднім узгодженням
  • *** Значення номінальної сили струму термічної стійкості при номінальній навантазі
  • **** Якщо Isn = 5 А