Україна, 49038, м. Дніпро, вул. Князя Ярослава Мудрого, 68

ИПЛУ-10-1

Ізолятори ИПЛУ-10-1 призначені для ізоляції та кріплення струмоведучих частин в електричних апаратах, розподільчих пристроях електричних станцій та підстанцій, комплектних розподільчих пристроях (КРП), струмопроводах змінного струму номінальною напругою 6 та 10 кВ частотою до 100 Гц, на об’єктах електроенергетики у промисловості, сільському господарстві, в комунальному секторі і організаціях інших галузей народного господарства.

Ізолятори призначені для експлуатації в  приміщеннях, в яких коливання температури і вологості повітря не суттєво відрізняється від коливань на відкритому повітрі, а також в середині комплектних виробів призначених для експлуатації на відкритому повітрі за умови відсутності прямого впливу сонячного випромінювання та атмосферних опадів, в наступних умовах:

- висота над рівнем моря − не більше 1000 м;

- відносна вологість повітря не більше 98 % при 30 °С;

- верхнє робоче значення температури, навколишнього повітря − плюс 50 °С;

- нижнє робоче значення температури навколишнього повітря − мінус 40 °С;

- навколишнє середовище - вибухобезпечне, яке не містить пилу, хімічно активних газів і пари в
концентраціях, що руйнують покриття металів та ізоляцію;

- положення трансформаторів в просторі - будь-яке.

Ізолятори виготовляються за технологією лиття епоксидної композиції у вакуумі. Ізолятори мають виконання в залежності від номінального струму і розмірів шини.

 

По установочним та приєднувальним розмірам ізолятори ИПЛУ-10-1 повністю відповідають трансформаторам струму ТПОЛУ-10-1.

Ізолятори ИПЛУ-10-1 призначені для ізоляції та кріплення струмоведучих частин в електричних апаратах, розподільчих пристроях електричних станцій та підстанцій, комплектних розподільчих пристроях (КРП), струмопроводах змінного струму номінальною напругою 6 та 10 кВ частотою до 100 Гц, на об’єктах електроенергетики у промисловості, сільському господарстві, в комунальному секторі і організаціях інших галузей народного господарства.

Ізолятори призначені для експлуатації в  приміщеннях, в яких коливання температури і вологості повітря не суттєво відрізняється від коливань на відкритому повітрі, а також в середині комплектних виробів призначених для експлуатації на відкритому повітрі за умови відсутності прямого впливу сонячного випромінювання та атмосферних опадів, в наступних умовах:

- висота над рівнем моря − не більше 1000 м;

- відносна вологість повітря не більше 98 % при 30 °С;

- верхнє робоче значення температури, навколишнього повітря − плюс 50 °С;

- нижнє робоче значення температури навколишнього повітря − мінус 40 °С;

- навколишнє середовище - вибухобезпечне, яке не містить пилу, хімічно активних газів і пари в
концентраціях, що руйнують покриття металів та ізоляцію;

- положення трансформаторів в просторі - будь-яке.

Ізолятори виготовляються за технологією лиття епоксидної композиції у вакуумі. Ізолятори мають виконання в залежності від номінального струму і розмірів шини.

 

По установочним та приєднувальним розмірам ізолятори ИПЛУ-10-1 повністю відповідають трансформаторам струму ТПОЛУ-10-1.

  • Найменування параметру Значення параметру
  • Найвища напруга обладнання, Um, [kV] 12
  • Випробувальна напруга промислової частоти, [kV] 42
  • Механічна міцність на згинання, [kN] 8
  • Номінальний струм, [A] 400, 500, 600, 750, 800, 1200, 1500, 2000, 2500

 

Тип

Type

Розмір S, мм

Dimension S, mm

IN, [А]

Ith , [kА]

Idyn , [kА]

Маса, кг

Weight, kg

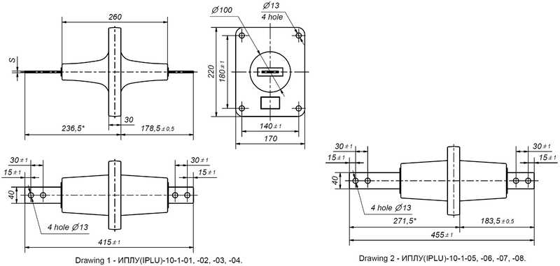
Drawing

ИПЛУ(IPLU)-10-1-01

4

400

28,8

72

4

1

ИПЛУ(IPLU)-10-1-02

5

500

36

90

4,5

1

ИПЛУ(IPLU)-10-1-03

6

600

43,2

108

4,5

1

ИПЛУ(IPLU)-10-1-04

8

800

57,6

144

5

1

ИПЛУ(IPLU)-10-1-05

4

400

28,8

72

4,2

2

ИПЛУ(IPLU)-10-1-06

5

500

36

90

4,5

2

ИПЛУ(IPLU)-10-1-07

6

600

43,2

108

4,8

2

ИПЛУ(IPLU)-10-1-08

8

800

57,6

144

5,5

2

ИПЛУ(IPLU)-10-1-09

8

1200

86

216

5,3

3

ИПЛУ(IPLU)-10-1-10

8

1200

86

216

5,5

4

ИПЛУ(IPLU)-10-1-11

4

600

43,2

108

4,5

5

ИПЛУ(IPLU)-10-1-12

5

750

54

135

5

5

ИПЛУ(IPLU)-10-1-13

6

800

64

162

5

5

ИПЛУ(IPLU)-10-1-14

8

1200

86

216

5,5

5

ИПЛУ(IPLU)-10-1-15

10

1500

108

270

6

5

ИПЛУ(IPLU)-10-1-16

12

2000

129

324

6

5

ИПЛУ(IPLU)-10-1-17

18

2500

194

486

7,5

5

ИПЛУ(IPLU)-10-1-18

4

600

43,2

108

4,8

6

ИПЛУ(IPLU)-10-1-19

5

750

54

135

5

6

ИПЛУ(IPLU)-10-1-20

6

800

64

162

5,3

6

ИПЛУ(IPLU)-10-1-21

8

1200

86

216

5,5

6

ИПЛУ(IPLU)-10-1-22

10

1500

108

270

6

6

ИПЛУ(IPLU)-10-1-23

12

2000

129

324

6,5

6

ИПЛУ(IPLU)-10-1-24

18

2500

194

486

8

6