Україна, 49038, м. Дніпро, вул. Князя Ярослава Мудрого, 68

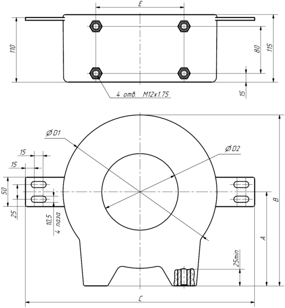
Демпфуючий реактор RD260

Демпфуючі реактори з литою ізоляцією   RD260… призначені для обмеження значення сили струму при перехідних процесах, що виникають при підключенні конденсаторних батарей до мережі в компенсаторах реактивної потужності. Демпфуючі реактори включаються послідовно з конденсаторною батареєю.

Демпфуючі реактори призначені для експлуатації в  приміщеннях, в яких коливання температури і вологості повітря не суттєво відрізняється від коливань на відкритому повітрі, а також в середині комплектних виробів призначених для експлуатації на відкритому повітрі за умови відсутності прямого впливу сонячного випромінювання та атмосферних опадів, в наступних умовах:

- висота над рівнем моря − не більше 1000 м;

- відносна вологість повітря не більше 98 % при 30 °С;

- верхнє робоче значення температури, навколишнього повітря − плюс 50 °С;

- нижнє робоче значення температури навколишнього повітря − мінус 45 °С;

- навколишнє середовище - вибухобезпечне, яке не містить пилу, хімічно активних газів і пари в
концентраціях, що руйнують покриття металів та ізоляцію;

- положення трансформаторів в просторі - будь-яке.

Клас нагрівостійкості ізоляції – В по ДСТУ EN 61869-1:2017.

Клас займистості трансформаторів відповідає групі НВ40 за ДСТУ EN 60695-11-10.

 

Приклад умовного позначення Реактора першого типорозміру (260 мм) :

-  номінальна сила струму 60 А;

-  індуктивність 0,25 мГн.

RD260-0,25/60

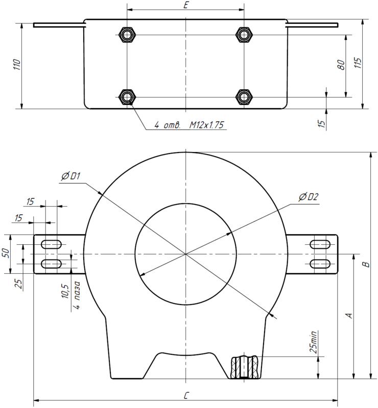
Демпфуючі реактори з литою ізоляцією   RD260… призначені для обмеження значення сили струму при перехідних процесах, що виникають при підключенні конденсаторних батарей до мережі в компенсаторах реактивної потужності. Демпфуючі реактори включаються послідовно з конденсаторною батареєю.

Демпфуючі реактори призначені для експлуатації в  приміщеннях, в яких коливання температури і вологості повітря не суттєво відрізняється від коливань на відкритому повітрі, а також в середині комплектних виробів призначених для експлуатації на відкритому повітрі за умови відсутності прямого впливу сонячного випромінювання та атмосферних опадів, в наступних умовах:

- висота над рівнем моря − не більше 1000 м;

- відносна вологість повітря не більше 98 % при 30 °С;

- верхнє робоче значення температури, навколишнього повітря − плюс 50 °С;

- нижнє робоче значення температури навколишнього повітря − мінус 45 °С;

- навколишнє середовище - вибухобезпечне, яке не містить пилу, хімічно активних газів і пари в
концентраціях, що руйнують покриття металів та ізоляцію;

- положення трансформаторів в просторі - будь-яке.

Клас нагрівостійкості ізоляції – В по ДСТУ EN 61869-1:2017.

Клас займистості трансформаторів відповідає групі НВ40 за ДСТУ EN 60695-11-10.

Приклад умовного позначення Реактора першого типорозміру (260 мм) :

-  номінальна сила струму 60 А;

-  індуктивність 0,25 мГн.

RD260-0,25/60

  • Найменування параметру Значення параметру
  • Найвища напруга обладнання, Um, [kV] 12
  • Номінальна частота, Fn, [Hz] 50
  • Номінальна індуктивність, [mH] / Номінальна сила струму, [А] 0,35/50; 0,25/60; 0,1/100; 0,05/125; 0,03/175
  • Струм термічної стійкості, Ith@1s, [А] 43 In
  • Максимально допустима довготривала сила струму 1,3 In
  • Випробувальна напруга міцності ізоляції, [kV] 28
  • Маса, [kg] 15-20